Kabelquerschnitt AC

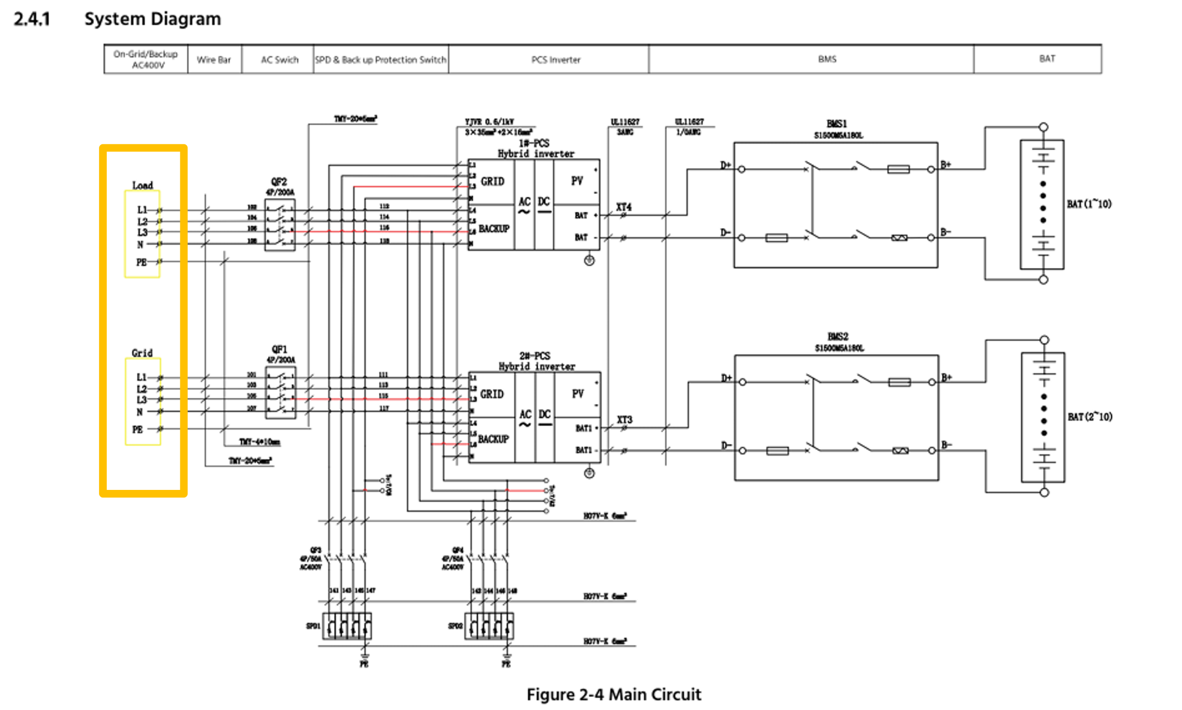
Der Pylontech Speicher A300 wird über zwei AC-Kabel erschlossen.


GRID = steht für die Verbindung nach aussen (öffentliches Netz).


LOAD = Versorgung nach innen (Haus/Gewerbe).


Damit kann das System sowohl Netzinteraktion als auch eigene Lastversorgung bzw. Backup gleichzeitig und sauber getrennt realisieren.


Diese Kabel müssen bauseits vorbereitet werden. 


Installationshinweise:

Die Angaben aus der Bedienungsanleitung sind zwingend einzuhalten.